Описание
Отзывы
Описание
Качественные расходные материалы надежны в процессе эксплуатации
Подкладка состоит из нескольких керамических деталей, которые надежно фиксируются самоклеющейся алюминиевой фольгой на стыке свариваемых листов. Это позволяет получить качественный обратный валик без дополнительной механической обработки. Используется для сварки углеродистых, низколегированных, нержавеющих сталей и цветных сплавов.
Ключевые особенности:
- Простая и быстрая установка на свариваемых листах металла
- Получение качественного обратного валика
- Качественная сварка при неравномерных зазорах между свариваемыми листами
- Сварка прямых или криволинейных швов
- Экономия времени на механической и слесарной обработке кромок свариваемых листов
- Увеличение производительности работы и уменьшение количества брака
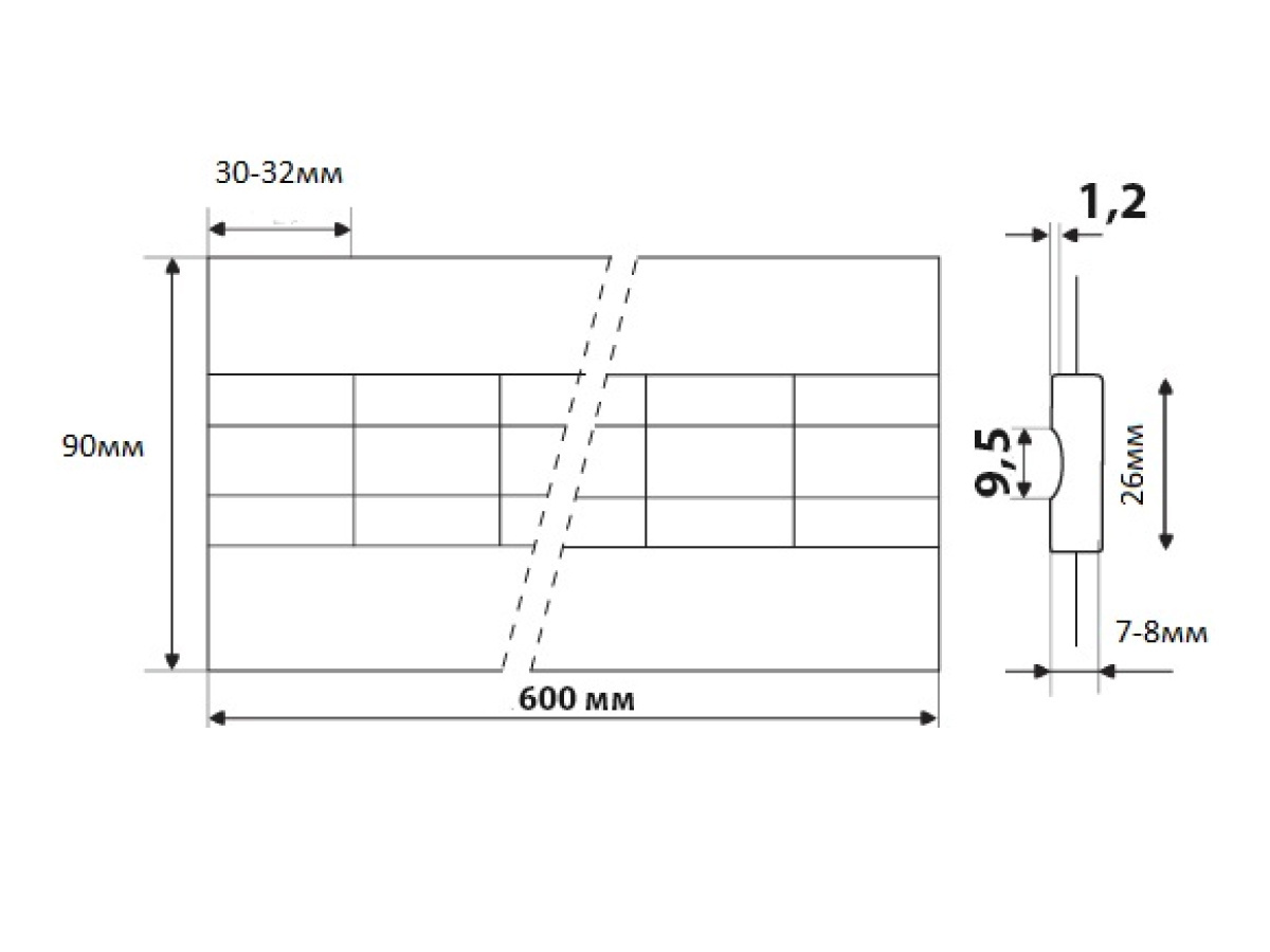
Технические характеристики:
| Ширина подкладки на основе, мм | 90 |
| Длина подкладки на основе, мм | 600 |
| Ширина кеамической детали, мм | 26 |
| Длина керамической детали, мм | 30— 32 |
| Ширина центральной линии, мм | 9.5 |
| Материал | Керамика, алюминиевая фольга с клеевым слоем |
Отзывы
Отзывов еще никто не оставлял
